Trong xu hướng tự động hóa linh hoạt và an toàn, Robot Cộng Tác AUBO-i5 chính hãng – giá tốt đang trở thành lựa chọn hàng đầu cho nhiều doanh nghiệp sản xuất vừa và nhỏ. Sở hữu thiết kế nhỏ gọn, độ chính xác cao và khả năng làm việc trực tiếp cùng con người AUBO-i5 giúp tối ưu hiệu suất mà vẫn tiết kiệm chi phí đầu tư. Cùng Myrobot.asia tìm hiểu chi tiết của robot cộng tác AUBO-i5 trong sản xuất hiện đại.
Giới thiệu robot cộng tác AUBO-i5
Robot Cộng Tác AUBO-i5 được thiết kế để đáp ứng hiệu quả các ứng dụng tải nhẹ với tải trọng lên đến 5kg. Phù hợp cho nhiều công việc như gắp đặt, lắp ráp, cấp phôi, đóng gói và kiểm tra chất lượng. Đặc biệt trong các lĩnh vực điện tử, cơ khí chính xác và tự động hóa nhẹ. Sở hữu tầm với lớn 886,5mm, AUBO cho phép bao phủ khu vực làm việc rộng hơn so với các dòng cobot nhỏ. Giảm thiểu việc thay đổi vị trí lắp đặt và tăng tính linh hoạt cho dây chuyền sản xuất. Bên cạnh đó, robot hỗ trợ đa dạng cấu hình, nhiều tùy chọn đầu công cụ, giao thức truyền thông và phương thức lập trình, giúp doanh nghiệp dễ dàng mở rộng hoặc điều chỉnh theo từng bài toán sản xuất. Đặc biệt, với 6 trục chuyển động có khả năng xoay ±360°. AUBO-i5 thực hiện các thao tác phức tạp trong không gian hẹp một cách linh hoạt, chính xác và an toàn khi làm việc cùng con người.
Các thông số kỹ thuật của robot cộng tác AUBO-i5
Robot

| Thông số | Giá trị |
| Số bậc tự do (Degrees of Freedom) | 6 trục |
| Tầm với (Reach) | 886.5 mm |
| Tải trọng tối đa (Payload) | 5 kg |
| Trọng lượng robot | 24 kg |
| Đường kính bề mặt lắp đặt | Ø172 mm |
| Độ lặp lại (Repeatability) | ±0.02 mm |
| Tốc độ tuyến tính tối đa | ≤ 3.4 m/s |
| Công suất trung bình | 200 W |
| Công suất cực đại | 2000 W |
| Nhiệt độ môi trường làm việc | 0 – 50 °C |
| Độ ẩm môi trường | ≤ 90% RH (không ngưng tụ) |
| Hướng lắp đặt | Linh hoạt: trần, sàn, tường |
| Cấp bảo vệ (IP Classification) | IP54 |
| Cấp độ sạch theo ISO 14644-1 | Class 5 |
Chuyển động trục (Axis Movement)
| Trục (Joint) | Phạm vi làm việc (°) | Tốc độ tối đa (°/s) |
| Joint 1 | ±360° | 223 |
| Joint 2 | ±360° | 223 |
| Joint 3 | ±360° | 223 |
| Joint 4 | ±360° | 237 |
| Joint 5 | ±360° | 237 |
| Joint 6 | ±360° | 237 |
Hộp điều khiển (Control Box)

| Thông số | Giá trị |
| Model | AUBO-CB-M |
| Kích thước (DxRxC) | 390 × 370 × 265mm |
| Trọng lượng | 15kg |
| Cáp kết nối robot | 5m (có thể tùy chọn, tối đa 8m) |
| Cáp nguồn | 5m |
| Nguồn cấp | 100–240 VAC, 50–60 Hz |
| Cấp bảo vệ (IP) | IP43 |
Giao tiếp & Kết nối
| Hạng mục | Mô tả |
| Chuẩn truyền thông | Ethernet, Modbus-RTU/TCP, Profinet (tùy chọn) |
| Giao diện lập trình | SDK (hỗ trợ C/C++/C#/Lua/Python), hỗ trợ ROS, API mở |
I/O Control Box & Tool End
Cổng I/O số
| Loại I/O | Số lượng |
| Digital Input | 16 (thường) / 16 (an toàn) + 4 (tùy chọn) |
| Digital Output | 16 (thường) / 16 (an toàn) + 4 (tùy chọn) |
Cổng I/O analog
| Loại I/O | Số lượng |
| Analog Input | 4 |
| Analog Output | 4 |
Nguồn I/O
| Thông số | Giá trị |
| Điện áp ngõ ra | 0V / 12V / 24V |
| Dòng điện ngõ ra | Tối đa 3 A (Control Box) / 0.8 A (Tool End) |
Teach Pendant

| Thông số | Giá trị |
| Model | AUBO-TP |
| Kích thước (DxRxC) | 355 × 235 × 54 mm |
| Trọng lượng | 1.57 kg |
| Cấp bảo vệ (IP) | IP43 |
| Màu sắc | Cam + Đen |
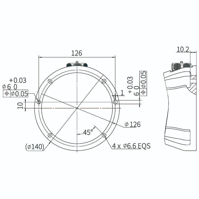
Bản vẽ kích thước robot AUBO-i5




Robot cộng tác AUBO-i5 ứng dụng trong lĩnh vực công nghiệp nào?
Công nghiệp điện tử
- Gắp linh kiện, lắp ráp bo mạch, cấp phôi.
- Kiểm tra ngoại quan, test sản phẩm.
- Phù hợp với linh kiện nhỏ, yêu cầu độ chính xác cao.
Cơ khí chính xác
- Lắp ráp chi tiết cơ khí nhỏ.
- Gắp – đặt chi tiết trong gia công CNC.
- Hỗ trợ đo kiểm, phân loại sản phẩm.
Tự động hóa dây chuyền sản xuất
- Cấp phôi, bốc xếp sản phẩm nhẹ.
- Đóng gói, dán nhãn, phân loại.
- Dễ tích hợp vào dây chuyền hiện hữu.
Ngành thực phẩm & đồ uống
- Gắp – đặt, đóng gói sản phẩm.
- Phân loại theo kích thước, trọng lượng.
- Đáp ứng môi trường sản xuất sạch.
Ngành dược phẩm & thiết bị y tế
- Lắp ráp, đóng gói sản phẩm y tế.
- Kiểm tra chất lượng, phân loại.
- Phù hợp phòng sạch tiêu chuẩn cao.
Logistics & kho vận
- Phân loại hàng hóa nhẹ.
- Đóng gói, sắp xếp sản phẩm.
- Tối ưu nhân lực và không gian kho.
Với tải trọng 5 kg, tầm với lớn 886,5 mm và 6 trục linh hoạt, AUBO-i5 là giải pháp lý tưởng cho các doanh nghiệp muốn tự động hóa linh hoạt – chi phí hợp lý – dễ mở rộng, đặc biệt trong mô hình nhà máy thông minh. Liên hệ ngay với Myrobot.asia để được tư vấn chi tiết, báo giá tốt và hỗ trợ kỹ thuật chuyên sâu về robot cộng tác AUBO-i5 chính hãng.
MYROBOT - Chúng tôi là chuyên gia trong mảng sản xuất, cung cấp và phân phối các hệ thống thiết bị robot phục vụ công nghiệp...Được khách hàng tin dùng tại Việt Nam.






