Robot Cộng Tác AUBO-i3 là một robot cộng tác (cobot) được thiết kế để làm việc an toàn cùng con người trong môi trường sản xuất tự động hóa. Với kích thước nhỏ gọn và trọng lượng nhẹ, robot AUBO phù hợp cho các ứng dụng trong không gian hạn chế nhưng vẫn đảm bảo độ chính xác và hiệu suất cao.
Đặc điểm nổi bật của robot cộng tác AUBO-i3
Thiết kế nhỏ gọn – Tối ưu cho không gian hẹp
Thiết kế compact của robot cộng tác AUBO-i3 giúp thiết bị hoạt động hiệu quả trong những không gian làm việc nhỏ hẹp như bàn thao tác, dây chuyền lắp ráp mini hoặc khu vực sản xuất có mật độ thiết bị cao. Nhờ kích thước gọn nhẹ, robot dễ dàng lắp đặt, di chuyển và tích hợp vào các hệ thống hiện hữu mà không cần cải tạo mặt bằng phức tạp.

Tải trọng và tầm với phù hợp cho ứng dụng nhẹ
AUBO-i3 có tải trọng tối đa 3kg, đáp ứng tốt các công việc gắp đặt, lắp ráp linh kiện nhỏ, cấp phôi hoặc kiểm tra sản phẩm.
- Chiều dài tối đa: 782 mm
- Tầm với tối đa: 625 mm
Robot thao tác linh hoạt trong phạm vi làm việc vừa phải, đảm bảo độ chính xác cao nhưng vẫn giữ được tốc độ và sự ổn định trong quá trình vận hành.
Nhẹ, linh hoạt, tiết kiệm diện tích lắp đặt
Robot sở hữu trọng lượng nhẹ, kết cấu nhỏ gọn và diện tích chiếm chỗ thấp, phù hợp với nhiều mô hình sản xuất khác nhau. Đặc biệt, mỗi khớp của robot đều có khả năng xoay ±360°, giúp AUBO-i3 thực hiện các chuyển động phức tạp. Linh hoạt theo nhiều hướng, dễ dàng tiếp cận chi tiết ở các vị trí khó, đảm bảo an toàn khi làm việc cùng con người.
Các thông số kỹ thuật của robot cộng tác AUBO-i3
Robot

| Thông số | Giá trị |
| Số bậc tự do (Degrees of Freedom) | 6 trục |
| Tầm với (Reach) | 625 mm |
| Tải trọng tối đa (Payload) | 3 kg |
| Trọng lượng robot | 16 kg |
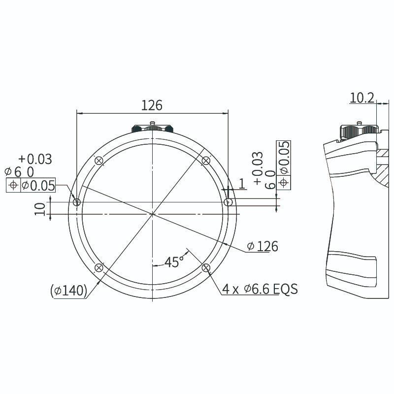
| Đường kính bề mặt lắp đặt | Ø140 mm |
| Độ lặp lại (Repeatability) | ±0.02 mm |
| Tốc độ tuyến tính tối đa | ≤ 1.9 m/s |
| Công suất trung bình | 150 W |
| Công suất cực đại | 1000 W |
| Nhiệt độ môi trường làm việc | 0 – 50 °C |
| Độ ẩm môi trường | ≤ 90% RH (không ngưng tụ) |
| Hướng lắp đặt | Linh hoạt: trần, sàn, tường |
| Cấp bảo vệ (IP Classification) | IP54 |
| Cấp độ sạch theo ISO 14644-1 | Class 5 |
Chuyển động trục (Axis Movement)
| Trục (Joint) | Phạm vi làm việc (°) | Tốc độ tối đa (°/s) |
| Joint 1 | ±360° | 178 |
| Joint 2 | ±360° | 178 |
| Joint 3 | ±360° | 178 |
| Joint 4 | ±360° | 237 |
| Joint 5 | ±360° | 237 |
| Joint 6 | ±360° | 237 |
Mỗi khớp của robot AUBO-i3 đều có khả năng xoay ±360°, cho phép robot thực hiện các chuyển động linh hoạt theo nhiều hướng. Tuy nhiên, tùy vào kịch bản ứng dụng, vị trí lắp đặt và giới hạn không gian làm việc. Một số góc quay của các khớp không đạt được toàn bộ phạm vi ±360° trong thực tế vận hành.
Hộp điều khiển (Control Box)

| Thông số | Giá trị |
| Model | AUBO-CB-M |
| Kích thước (DxRxC) | 390 × 370 × 265mm |
| Trọng lượng | 15kg |
| Cáp kết nối robot | 5m (có thể tùy chọn, tối đa 8m) |
| Cáp nguồn | 5m |
| Nguồn cấp | 100–240 VAC, 50–60 Hz |
| Cấp bảo vệ (IP) | IP43 |
Giao tiếp & Kết nối
| Hạng mục | Mô tả |
| Chuẩn truyền thông | Ethernet, Modbus-RTU/TCP, Profinet (tùy chọn) |
| Giao diện lập trình | SDK (hỗ trợ C/C++/C#/Lua/Python), hỗ trợ ROS, API mở |
I/O Control Box & Tool End
Cổng I/O số
| Loại I/O | Số lượng |
| Digital Input | 16 (thường) / 16 (an toàn) + 4 (tùy chọn) |
| Digital Output | 16 (thường) / 16 (an toàn) + 4 (tùy chọn) |
Cổng I/O analog
| Loại I/O | Số lượng |
| Analog Input | 4 |
| Analog Output | 4 |
Nguồn I/O
| Thông số | Giá trị |
| Điện áp ngõ ra | 0V / 12V / 24V |
| Dòng điện ngõ ra | Tối đa 3 A (Control Box) / 0.8 A (Tool End) |
Teach Pendant

| Thông số | Giá trị |
| Model | AUBO-TP |
| Kích thước (DxRxC) | 355 × 235 × 54 mm |
| Trọng lượng | 1.57 kg |
| Cấp bảo vệ (IP) | IP43 |
| Màu sắc | Cam + Đen |
Bản vẽ kích thước robot




Ứng dụng
Lắp ráp & Gắp đặt: Hỗ trợ gắp linh kiện nhỏ, lắp ráp chi tiết nhanh chóng. Giảm lỗi thao tác, tăng chất lượng sản phẩm.
Kiểm tra chất lượng (Inspection): Kết hợp với camera/ cảm biến kiểm tra bề mặt sản phẩm. Phát hiện lỗi sớm, tối ưu quy trình kiểm tra.
Cấp phôi & xếp dỡ: Tự động lấy/phân loại chi tiết từ băng tải. Tối ưu thời gian và giảm sức lao động thủ công.
Đóng gói & Dán nhãn: xếp vào thùng, dán nhãn tự động,…phù hợp với dây chuyền nhỏ và vừa.
Ứng dụng trong giáo dục & nghiên cứu: Dễ lập trình cho sinh viên và kỹ sư thực hành, phù hợp phòng lab, đào tạo tự động hóa.
Xem thêm: Robot SCARA Tầm Xa BRTIRSC0810A
Robot Cộng Tác AUBO-i3 là lựa chọn lý tưởng cho các doanh nghiệp cần giải pháp tự động hóa nhỏ gọn, chính xác và linh hoạt. Với khả năng làm việc an toàn cùng con người và dễ dàng tích hợp vào dây chuyền hiện có, AUBO-i3 giúp tối ưu năng suất và chi phí đầu tư. Myrobot.asia tự hào cung cấp AUBO-i3 chính hãng, giá tốt, cùng dịch vụ tư vấn – kỹ thuật – hậu mãi chuyên nghiệp, đồng hành cùng doanh nghiệp trên hành trình xây dựng nhà máy thông minh.
MYROBOT - Chúng tôi là chuyên gia trong mảng sản xuất, cung cấp và phân phối các hệ thống thiết bị robot phục vụ công nghiệp...Được khách hàng tin dùng tại Việt Nam.




